Listahan ng Temperature Bound ng App
materyal Katamtamang temperatura ℃ materyal Katamtamang temperatura ℃
PVC-C -20 ℃~ 95 ℃ PVC-U -5 ℃~ 45 ℃
FRPP -20 ℃~ 120 ℃ PPH -20 ℃~ 110 ℃
PVDF 40 ℃~ 150 ℃

Mga Tampok ng Istruktura ng Produkto

1. Superior Chemical Resistance: Malawak na hanay ng temperatura ng pagpapatakbo -20°C hanggang 95°C, ang mabigat na ion na nilalaman sa medium ay nakakatugon sa mga ultrapure na pamantayan ng tubig, at ang mga katangian ng kalinisan ay nakakatugon sa mga pambansang pamantayan sa kalusugan.
2. Napakahusay na lakas, tigas, at chemical corrosion resistance.
3. Katatagan: Ang napakahusay na pagtanda at paglaban sa UV ay makabuluhang nagpapahaba ng serbisyo ng iba pang sistema ng tubo.
4. Mababang thermal conductivity: Humigit-kumulang 1/200 na ng bakal; self-extinguishing flame retardancy.
5. Magaan: Magaan, katumbas ng 1/5 ng steel pipe at 1/6 ng copper pipe.
6. Mababang resistensya, mataas na rate ng daloy: Makinis, malinis na ibabaw ng tubo, pinapaliit ang alitan at pandidirikit kapag nagdadala ng mga likido.
7. Madaling pag-install, mababang gastos: Available ang malagkit at sinulid na koneksyon, na ang pandikit ang pinaka-maginhawa.

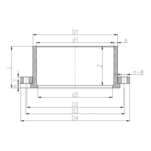
Listahan ng Dimensyon

DN D1 D2 D3 D4 d1 d2 L T h Z n- Φ
15 27 59 70 95 20 18 22 16 1.5 16 4-Φ15X20.5
20 32 70 75 105 25 23 25 18 1.5 19 4-Φ15X17.5
25 40 79 90 125 32 29 28 18 1.5 22 4-Φ15X20.5
32 50 89 100 140 40 36 31.5 20 1.5 26 4-Φ18X24.5
4 61 98 110 150 50 4 37 20 2 31 4-Φ18X24
50 75 120 125 165 63 58 44 25 2 38 4-Φ18X20.5
65 88 140 145 185 75 69 50 25 2 44 4-Φ18X20.5
80 105 150 160 200 90 84 57 26 2.5 51 8-Φ18X23
100 127 175 190 522 9110 105 67 26 2.5 61 8- Φ 18X26
125 161 210 250 140 130 84 28 12.5 77 8-Φ19
150 182 240 285 160 150 93 31 12.5 85 8-Φ23
200 249 295 339 225 215 127 36 16 119 8-Φ23X25
200 254 295.8 341 225 215 127 33.1 16 119 12-Φ22
250 308 350 395 280 267 154 40.5 16.5 144 12-Φ23
300 346 400 445 315 305 170 43 18 160 12-Φ23
350 395 460 505 355 340 176 43 16 164.5 16-Φ23
400 442 515 570 400 382 219 43 22 200 16-Φ27
450 494 565 625 450 430 220 40 27 210 20-Φ26
500 548 620 670 500 475 210 43 25 185 20-Φ27
Feedback ng Mensahe
Tungkol sa Amin
Kaixin Pipeline Technologies Co., Ltd.
Itinatag noong 1999, Kaixin Pipeline Technologies Co., Ltd. ay isang high-tech na negosyo na nagsasama ng R&D, pagmamanupaktura, pagbebenta, at serbisyo. Ang kumpanya ay nagtataglay ng maraming prestihiyosong sertipikasyon, kabilang ang National High-Tech Enterprise, "Little Giant" Specialized at Sophisticated SME, National Single Product Champion (Cultivation), Provincial Technology-based SME, Ningbo Specialized at Sophisticated SME, Ningbo Single Product Champion (Cultivation), Ningbo Polymer Pipe & Valve Technology R&D Center, Factory-Level Technology R&D Center, at Factory-Inn. Antas 2 ng Kapabilidad ng Pamamahala sa Kapanahunan.
Dalubhasa kami sa pagbuo, paggawa, at pagbibigay ng mga produktong hindi lumalaban sa kaagnasan para sa mga kemikal, kabilang ang mga plastic valve, pipe, pipe fitting, at corrosion-resistant pump. Ang aming portfolio ng produkto ay sumasaklaw sa mga materyales tulad ng PVC-C, PVC-U, PVDF, PPH, at FRPP, na may komprehensibong hanay ng mga uri at detalye. Kapansin-pansin, ang aming mga butterfly valve ay maaaring umabot sa DN1000 ang diyametro, habang ang mga pipe at fitting ay umaabot hanggang DN800, tinutugunan ang mga agwat sa merkado at pinapanatili ang aming mapagkumpitensyang kahusayan sa industriya.
Ginagabayan ng prinsipyo ng “Technology-Driven, Keeping Pace with the Times,” ang Kaixin ay naglalaan ng halos RMB 10 milyon taun-taon sa R&D. Tinitiyak namin ang napakahusay na kalidad ng produkto sa pamamagitan ng standardized na automated na pagmamanupaktura at mahigpit na pagkuha ng mga imported na hilaw na materyales. Nakaayon sa aming internasyonal na diskarte sa pag-unlad, patuloy naming sinusubaybayan ang mga trend ng pandaigdigang merkado at ginagamit ang mga digital na channel upang magdala ng mga de-kalidad na produkto na "Made in China" sa mga customer sa buong mundo.
Ningbo • Fenghua R&D at Production Base
Sa kabuuang puhunan na RMB 200 milyon, ang Kaixin Ultra-Pure Pipe Technology (Ningbo) Co., Ltd. ay nagtatag ng bagong laboratoryo ng mga materyales sa pakikipagtulungan sa mga unibersidad at mga instituto ng pananaliksik, nagtayo ng modernong manufacturing base, at nag-install ng 8 ganap na automated na linya ng produksyon para sa binagong mga plastik at 8 para sa mga polymer na materyales. Ang pasilidad ay nakatuon sa R&D, produksyon, at aplikasyon ng mga bagong binagong plastik at polymer na materyales. Nakatuon din ang Kaixin sa pag-akit ng mga nangungunang talento sa iba't ibang disiplina, patuloy na nagtutulak sa pagbabago ng produkto at pagbuo ng tatak, na may layuning maging isang kinikilalang pinuno sa buong mundo sa R&D at paggawa ng mga polymer valve, pipe, at fitting.
Sertipiko ng karangalan
  • honor
  • honor
  • honor
  • honor
  • honor
  • honor
  • honor
  • honor
  • honor
Balita