PPH D71X-10S Handle Butterfly Valve DN15-200 GB Standard

PPH handwheel butterfly valve manual center seal soft seal DN15-200 industrial and household plastic lever handle valve
Driving Mode: Manual
Connection Form: Wafer
Structure: Center Sealing
Seal Type: Forced Sealed
Valve Stem: Ordinary
Pressure Class: 1.0Mpa(10bar)
Working Temperature: -20~110°C
Material of Seal Surface: Soft Sealed
Application: Industrial Usage, Water Industrial Usage
Valve Stem: Steel, Stainless Steel
Trademark: KXPV
Specifications: DN15-200
Origin: Ningbo, Zhejiang

Product Structural Features
1. The valve is small and light, easy to disassemble and repair, and can be installed at any position.
2. The structure is simple & compact, and the operating torque is small, and the 90° rotation is opened quickly.
3. The flow characteristics tend to be straight and the adjustment performance is good.
App Temperature Bound List

 

Material        Medium temperature℃ Material Medium temperature℃
PVC-C -20℃~+95℃ PVC-U -5℃~+45℃
FRPP -20℃~+120℃ PPH -20℃~+110℃
PVDF 40℃~+150℃

Part Material Table

 

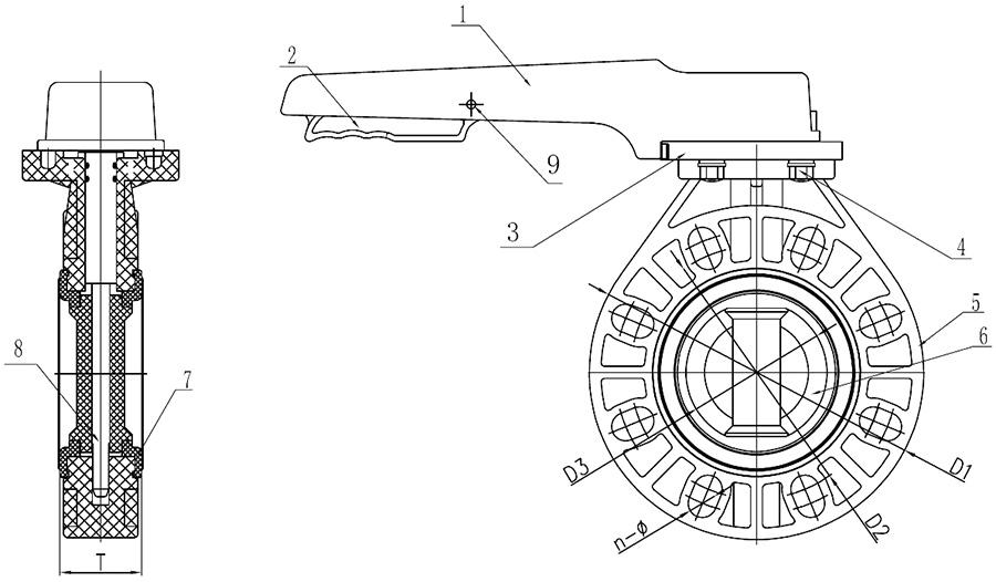
No.

Name

Material

1

Handle head

Alloy material

2

Hexagonal nut

Steel,StainlessSteel

3

Handle

Alloy material 

4

Stem

Steel,StainlessSteel

5

Spring

Steel

6

Adjust the positioning plate

Alloy material

7

Pin

Steel

8

Locating rod

Alloy material

9

Body

FRPP,PVDF,PVC-C,PVC-U,PPH

10

Sealing rubber

EPDM,FPM

11

Disc

FRPP,PVDF,PVC-C,PVC-U,PPH

Handle Butterfly Valve Assembly Detail Drawing

 

Part Material Table

 

NO.

Parts Name

Material

Qty.

1

Handle

Alloy material

1

2

Locating rod

Alloy material

1

3

Positioning plate

Alloy material

1

4

Nut Cup

FRPP

 4

5

Body

FRPP,PVDF,PVC-C,PVC-U,PPH

1

6

Disc

FRPP,PVDF,PVC-C,PVC-U,PPH

1

7

Sealing rubber

EPDM, FPM

1

8

Stem

Steel,StainlessSteel

1

9

Pin

Alloy material

1

Dimension List

 

DN(mm) D1 D2 D3 T n-Φ
GB JIS ANSI GB JIS ANSI
40  148  110  105  98.4  45  39  4-Φ19X25 4-Φ19X25 4-Φ19X25
50  162  125  120  120.7  50  40  4-Φ19X26.5 4-Φ19X26.5 4-Φ19X26.5
65  180  145  140  139.7  64  42  4-Φ19X26.5 4-Φ19X26.5 4-Φ19X26.5
80  198  160  150  152.4  77  42  8-Φ19X25 8-Φ19X24 4-Φ19X20
100  225  180  175  190.5  96  52  8-Φ18X32 8-Φ19X32 8-Φ19X32
125  255  210  210  215.9  120  61  8-Φ23X33 8-Φ23X33 8-Φ23X33
150  285  240  240  241.3  145  71  8-Φ23X34 8-Φ23X34 8-Φ23X34
200  340  295  290  298.5  196.5  81  8-Φ23X33.5 12-Φ23×27 8-Φ23x33.5

Feedback ng Mensahe
Tungkol sa Amin
Kaixin Pipeline Technologies Co., Ltd.
Itinatag noong 1999, Kaixin Pipeline Technologies Co., Ltd. ay isang high-tech na negosyo na nagsasama ng R&D, pagmamanupaktura, pagbebenta, at serbisyo. Ang kumpanya ay nagtataglay ng maraming prestihiyosong sertipikasyon, kabilang ang National High-Tech Enterprise, "Little Giant" Specialized at Sophisticated SME, National Single Product Champion (Cultivation), Provincial Technology-based SME, Ningbo Specialized at Sophisticated SME, Ningbo Single Product Champion (Cultivation), Ningbo Polymer Pipe & Valve Technology R&D Center, Factory-Level Technology R&D Center, at Factory-Inn. Antas 2 ng Kapabilidad ng Pamamahala sa Kapanahunan.
Dalubhasa kami sa pagbuo, paggawa, at pagbibigay ng mga produktong hindi lumalaban sa kaagnasan para sa mga kemikal, kabilang ang mga plastic valve, pipe, pipe fitting, at corrosion-resistant pump. Ang aming portfolio ng produkto ay sumasaklaw sa mga materyales tulad ng PVC-C, PVC-U, PVDF, PPH, at FRPP, na may komprehensibong hanay ng mga uri at detalye. Kapansin-pansin, ang aming mga butterfly valve ay maaaring umabot sa DN1000 ang diyametro, habang ang mga pipe at fitting ay umaabot hanggang DN800, tinutugunan ang mga agwat sa merkado at pinapanatili ang aming mapagkumpitensyang kahusayan sa industriya.
Ginagabayan ng prinsipyo ng “Technology-Driven, Keeping Pace with the Times,” ang Kaixin ay naglalaan ng halos RMB 10 milyon taun-taon sa R&D. Tinitiyak namin ang napakahusay na kalidad ng produkto sa pamamagitan ng standardized na automated na pagmamanupaktura at mahigpit na pagkuha ng mga imported na hilaw na materyales. Nakaayon sa aming internasyonal na diskarte sa pag-unlad, patuloy naming sinusubaybayan ang mga trend ng pandaigdigang merkado at ginagamit ang mga digital na channel upang magdala ng mga de-kalidad na produkto na "Made in China" sa mga customer sa buong mundo.
Ningbo • Fenghua R&D at Production Base
Sa kabuuang puhunan na RMB 200 milyon, ang Kaixin Ultra-Pure Pipe Technology (Ningbo) Co., Ltd. ay nagtatag ng bagong laboratoryo ng mga materyales sa pakikipagtulungan sa mga unibersidad at mga instituto ng pananaliksik, nagtayo ng modernong manufacturing base, at nag-install ng 8 ganap na automated na linya ng produksyon para sa binagong mga plastik at 8 para sa mga polymer na materyales. Ang pasilidad ay nakatuon sa R&D, produksyon, at aplikasyon ng mga bagong binagong plastik at polymer na materyales. Nakatuon din ang Kaixin sa pag-akit ng mga nangungunang talento sa iba't ibang disiplina, patuloy na nagtutulak sa pagbabago ng produkto at pagbuo ng tatak, na may layuning maging isang kinikilalang pinuno sa buong mundo sa R&D at paggawa ng mga polymer valve, pipe, at fitting.
Sertipiko ng karangalan
Balita